可視樓宇對講說明書
發布時間:2018-12-10 | 作者:安居樂可視對講
| 來源:石家莊安居樂科技 瀏覽:
核心:感謝您購買智能可視樓宇對講系統產品,智能可視樓宇對講系統是一種家具安防產品,是您居家安全的好幫手。讓您的家庭充滿安全和快樂智能化家庭是未來的發展概念
感謝您購買智能可視樓宇對講系統產品,智能可視樓宇對講系統是一種家具安防產品,是您居家安全的好幫手。讓您的家庭充滿安全和快樂智能化家庭是未來的發展概念,我們致力于智能化家居用品的開發、設計、生產與銷售,我們將智慧、藝術與現代化工藝融合在一起。自您購買產品的那一刻,您將會享受我們全方位的跟蹤服務。
一、系統說明
本系統采用先進的T2003樓宇對講系統平臺,其有功能強大、通訊速度快、靈敏度高、兼容性好、系統擴展性強、安全可靠、操作簡單、易安裝、易維護等特點。主機、分機均采用高檔材質、先進工藝制作而成,設計新穎,美觀大方。主機和分機可根據喜好靈活搭配使用,實現呼叫、可視對講、監視和遠程開鎖功能等。本系統可根據住宅物業管理的需要連接管理中心進行控制和管理,提供可靠安全保障及便捷的到訪呼叫服務。
二、主機功能特點與技術參數

功能特點:
√ 鋁合金面殼,豪華大方;
√ LED數碼管/液晶屏顯示,鍵盤帶夜光燈,方便晚上使用;
√ 定制高清鏡頭,清晰度達到200萬相素,內置紅外/高亮度LED補光;
√ 可實現呼叫、對講、可視、開鎖功能,最大用量9999戶;
√ 通話時可看到來訪者圖像也可以主動監視單元門口情況;
√ 具有短路保護功能,單個分機故障不影響整個系統;
√ 主機具有故障自檢功能,并通過主機數碼管/液晶屏顯示;
√ 可增配非接觸式ID/IC卡開鎖功能,可容1000張ID卡;
√ 可設置不同密碼,獨立一戶一密碼開鎖功能;
√ 兼容免提、非免提室內機,用戶可任意掛接;
√ 可兼容多臺主機同時控制多臺室內機使用;
√ 兼容各種電鎖(電磁鎖或電插鎖需配專用電源) ;
√ 具有出門按鈕接口;
√ 可設置使用日期;
技術參數:
■ 工作電源: DC18V+ 10% ;
■ 攝像頭: CCD黑白/彩色
■ 解析度: 800TVLine
■ 靈敏度≤30MV
■ 失真度≤5%
■ 功耗:工作狀態約100mA ;待機狀態約10MA ;
■ 工作溫度: -30℃~70℃;
■ 相對濕度: 10%~ 90% ;
■ 通話方式:雙向通話;
■ 響鈴時間:電子鈴聲,40秒自動切斷提示主人不在家;
■ 通話時間: 40秒,自動切斷;
■ 音波輸出: 50MW ;
■ 安裝方式:嵌入式/埋墻式;
三、主機操作說明
3.1 呼叫及開鎖
主機面板有0-9的數字按鍵,來訪者輸入三位或四位的房號(例如0203,按順序按鍵盤的0,2,0,3按鍵即可),如按錯,可按”*”鍵取消,重新輸入正確的房號,呼叫成功時對應分機會發出音樂鈴聲,以提示用戶有訪客到。用戶摘機即可與訪客互相通話,住戶確認訪客身份后,可按開鎖鍵,遙控開啟樓下大門電鎖。(注:要在通話狀態下按開鎖鍵,才能打開樓下的電鎖)
3.2 密碼開鎖
開鎖密碼為4位房號+4位密碼,不足4位的房號在前面加0。例如用戶的分機號為203,該分機設置的密碼為8888時,那開鎖密碼為02038888,那么在主機上輸入#02038888時,鎖會打開,密碼錯誤會自動退出。
注:開鎖密碼設置請參考第8頁“密碼設置”。
3.3 單元主、副機號設置
當一個單元中有多能主機在使用時,必須得設置主、副機號,以決定用戶按下監視鍵時監控哪個門口的圖像。因為監視時只能監視主機而不能監視副機。但并不影響來訪者呼叫時看到的圖像。哪臺主機呼叫顯示哪個圖像。
單元主、副機號設置方法:待機狀態下在主機上按“#”鍵,主機顯示“PASS”緊接著輸入“00002004”,再緊接著輸入2位編碼, 00代表主機,01~99代表副機,輸完后自動退出確認。
3.4 主機指令說明
#0000 2003 設定主機號: 4位數,范圍: 0000-9999
#0000 2004 設定副機: 2位數,范圍: 00-99,00是主機可以監視,副機01~99不可監視
#0000 2012 更改主機時間,24小時制,下午1: 30分這樣設13-30
#0000 2005 更改所有分機咪頭音量(主機說話暫頓或嘯叫時用,65- -75之間,默認72 )
#2013 2003 主機增加用戶卡
#2013 2004 主機刪除用戶卡
四、主機安裝
1)按主機的安裝尺寸在防盜門或墻適當的位置開一個方孔;
2) 按安裝底殼固定在所開的孔內;
3) 接好主機的連線;
4) 用螺絲把主機的面板固定在底殼上,使主機緊貼防盜門或墻上;
5) 主機安裝高度不能過高,主機鏡頭離地面高度為140cm-150cm為最適合。
6)分機高度一般為屏幕中間到地面140cm-150cm。

五、分機功能特點與技術參數


按鍵功能說明:
設置鍵:設置亮度、色度、對比度、鈴聲音量、通話音量;
選曲鍵:選擇鈴聲、有多首鈴聲可選;
監視鍵:查看單元門口圖像;
開鎖鍵:在通話狀態下按一下即可打開門鎖;
通話鍵:接通與主機的通話;
功能特點:
√ 進口ABS塑膠防刮花面殼/鋁合金面殼,按鍵與機身渾然天成,高檔大方;
√ 4.3寸/7寸/10.1寸高清黑白/彩色TFT顯示屏,色彩絢麗、操控簡易;
√ 可監視門口機外面情況、接受主機的呼叫并通話以及遠程控制打開單元開鎖;
√ 可呼叫中心機管理機及接受中心管理機的呼叫并雙向通話;
√ 數字式調節亮度、色度、對比度、響鈴音量、通話音量;
√ 有多種弦聲可選;
√ 有免提對講功能;
√ 內存式設置房號及開門密碼;
√ 帶四防區報警(定制功能)
技術參數:
■ 工作電源: DC18V土10%;
■ 顯示屏: 4寸黑白/4.3寸/7寸彩色液晶TFT
■ 彩色像素: 22萬
■ 動態電流≤150mV(不含顯示器)
■ 靜態電流: 0mV
■ 失真度≤5%
■ 工作溫度: -30℃~70℃;
■ 相對濕度: 10%~ 90%;
■ 通話方式:雙向通話;
■ 響鈴時間:電子鈴聲,40秒自動切斷提示主人不在家;
■ 通話時間: 40秒,自動切斷;
■ 呼叫聲級: 50DB;
■ 安裝方式:壁掛式;
六、分機操作說明
6.1 接受住戶的呼叫
1)來訪者按照門口機的使用說明呼叫住戶,隨著振鈴聲,來訪者的圖像出現在顯示屏上;
2)按“通話”鍵與來訪者通話,若允許來訪者進入,按“開鎖”按鍵,門就會自動打開,若不允許來訪者進來,直接按“通話”鍵掛機;
3)手柄分機,通話完畢后,聽筒放回原處扣緊。
6.2 監視門口機
1) 按一下“監視”鍵,門口機外面的情況將會出現在屏幕上,監視時間為20秒,20秒后會自己結束監視。監視期間按一下“監視”鍵,可結束監視;
6.3 房號設置方法
注意:編房號只用到分機上的“選曲”鍵和“開鎖”鍵這兩個按鍵(“選曲”鍵代表確認,“開鎖”鍵代表1~9中任意一位數),房號為4位編碼,不足4位的前面加0.
1) 待機狀態下長按5秒“選曲”鍵,聽到“叮……咚……”響聲后松開,便進入房號設置狀態,分機屏幕會顯示“0000” 房號(下面舉例說明編0208的房號) ;
2) 輸入第一位碼,第一位碼為0,按一次“選曲”鍵確認,系統自動移到第二位編碼;
3) 輸入第二位碼,第二位碼為2.按兩次“開鎖”鍵,接著按一次“選曲”鍵確認,系統自動移到第三位編碼;
4) 輸入第三位碼,第三位碼為0,按一次“選曲”鍵確認,系統自動移到第四位編碼;
5) 輸入第四位碼,第四位碼為8,按八次“開鎖”鍵,接著按一次“選曲”鍵確認,分機發出“叮……咚……”響聲后,編碼完成,這時分機的房號為0208。
注1:非可視混裝分機編碼方法和可視的一樣,只是沒有屏幕顯示房號而已。
6.4 分機副機號設置方法
當一個單元內,有某兩臺或多臺分機要實現呼叫一個房號同時響,這樣的話,同時響的分機要設置同一房號的同時還要設置分機的副機號。分機的副機號設置方法發下所述:
1) 待機狀態下長按5秒“通話”鍵,聽到“叮……咚……”響聲后松開,便進入分機副機設置狀態,分機屏幕會顯示“0000”房號(下面舉例說明編0001的房號);
2)輸入第一位碼,第一位碼為0,按一次“選曲”鍵確認,系統自動移到第二位編碼;
3)輸入第二位碼,第二位碼為0,按一次“選曲”鍵確認,系統自動移到第三位編碼;
4)輸入第三位碼,第三位碼為0,按一次“選曲”鍵確認,系統自動移到第四位編碼;
5)輸入第四位碼,第四位碼為1,按一次“開鎖”鍵,接著按一次“選曲”鍵確認,分機發出“叮……咚……”響聲后,編碼完成,這時分機副機號為0001。
注1:副機號要設置0001、0002、0003 ~ 9999這樣。
6.5 開鎖密碼設置方法
1)待機狀態下長按鈕秒“開鎖”鍵,聽到“.......”響聲后,便進入開鎖密碼設置狀態,分機屏幕會顯示“0000”房號(下面舉例說明編1234的密碼) ;
2)輸入第一位碼,第一位碼為1,按一次“開鎖”鍵,接著按一次“選曲”鍵確認,系統自動移到第二位編碼;
3)輸入第二位碼,第二位碼為2,按兩次“開鎖”鍵,接著按一次“選曲”鍵確認,系統自動移到第三位編碼;
4)輸入第三位碼,第三位碼為3,按三次“開鎖”鍵,接著按一次“選曲”鍵確認,系統自動移到第四位編碼;
5)輸入第四位碼,第四位碼為4,按四次“開鎖”鍵,接著按一次“選曲”鍵確認,分機發出“.......”響聲后,編碼完成,這時分機的密碼為1234。
注:要更換密碼的話,重新設置一個新密碼即可。
6.6 亮度設置
在待機狀態下按一下“設置”鍵,分機進入亮度設置界面,分機顯示當前的亮度參數,按“開鎖”鍵,降低亮度,按“監視”鍵提高亮度。
6.7 色度設置
在待機狀態下按兩下“設置”鍵,分機進入色度設置界面,分機顯示當前的色度參數,按“開鎖”鍵,降低色度,按“監視”鍵提高色度。
6.8 對比度設置
在待機狀態下按三下“設置”鍵,分機進入對比度設置界面,分機顯示當前的對比度參數,按“開鎖”鍵,降低對比度,按“監視”鍵提高對比度。
6.9、鈴聲音量設置
方法一: 在待機狀態下按四下“設置”鍵,分機進入鈴聲音量設置界面,分機顯示當前的鈴聲音量參數,按“開鎖”鍵,降低鈴聲音量,按“監視”鍵提高鈴聲音量;
方法二:在主機呼叫分機,分機響鈴的狀態下,直接按“開鎖”鍵,降低鈴聲音量,按“監視”鍵提高鈴聲音量;
6.10、 通話音量設置
方法一:在待機狀態下按五下“設置”鍵,分機進入通話音量設置界面,分機顯示當前的通話音量參數,按“開鎖”鍵,降低通話音量,按“監視”鍵提高通話音量;
方法二:在主機呼叫分機,分機按“通話”鍵與主機通話的狀態下,直接按“開鎖”鍵,降低通話音量,按“監視”鍵提高通話音量;
七、分機安裝

1、將室內機的安裝掛板用螺絲固定于墻上,室內機接好線后于安裝掛板上。
2、室內機安裝于離地面1.5米的墻壁上(如下圖A),且盡量保持表面干燥,嚴禁在室內機上灑水。
3、室內機可采用壁掛式和嵌入式兩種方法進行安裝。
1) 壁掛式安裝方法:取出掛板,按掛板的螺絲孔位置在您選擇的墻壁上對應打四個小孔,再用膠栓(自帶)塞入四個小孔中,擰緊螺絲(自帶)固定好掛板,再拿分機與預留的連接線接好線,把分機固定在掛板上即安裝完成;
2) 如果選擇嵌入式安裝,必須先預留好同樣尺寸的孔,再按照壁掛式
方法安裝。
4、室內機對講距離約為40CM(如下圖B)。
八、直按式主機的房號設置
第六章中的6.3段已經介紹了房號設置的方法,也就是數碼式主機的房號設置方法,那么直按式的主機房號應該怎么編呢?下面來介紹下直按式主機每個按鍵所對應的房號。
1) 一梯一戶型,如下圖A所示:
2) 一梯兩戶型,如下圖B所示:
3)一梯三戶型,如下圖C所示:
4)一梯四戶型,如下圖D所示:
5)別墅兩戶型,如下圖E所示:
6)別墅四戶型,如下圖F所示:
7)別墅六戶型,如下圖G所示:
注:直按式主機編碼時,先要確認主機屬于哪種類型,再確認各按鍵所對應要編的房號,然后參考第六章的“6.3房號設置方法”進行房號的設置。
九、門禁設置說明(一體化)
管理卡:用于注冊開門卡的功能卡(出廠時已設置好)
刪除卡:用于刪除開門卡的功能卡(出廠時已設置好)
1、設置管理卡:主機斷電,短路“GND管理卡”跳針,然后上電。刷待注冊的[管理卡]。
再刷待注冊的[刪除卡1。兩張卡片刷完后再斷電,去除短路再上電,完成設置工作。
2、注冊開門卡:先刷[管理卡],然后依次刷[開門卡],最后刷[管理卡]保存。
3、刪除開門卡:先刷[刪除卡],然后依次刷[開門卡]。
4、清除所有的開門卡:將[刪除卡]連續讀5次卡,蜂鳴器連續響5聲之后開始清除所有的開門卡。
5、數碼主機進入增加卡模式“#20132003” 數碼管上顯示“CArd”然后開始刷用戶卡,刷完后按“*”退出。
6、數碼主機進入刪除卡模式“#2013 2004”數碼管上顯示“CArd”然后開始刷用戶卡,刷完后按“*”退出
7、數據復制:斷電,撥掉主機按鍵板,用5P對插線插在按鍵板插座上,把2個主機板連接在起,如下圖所示:在目標板主板上供電,供電后在目標板上短路一下“GND管理卡”跳針,聽到繼電器振動約10秒后停止數據即復制成功,這時2個主機板的卡數據相同,在多門口要求卡相同可以快速復制而不用每臺主機都用管理卡增加;
注:目標板即是空白的沒有卡數據的主機板,如果有數據在復制中會自動清除數據。這個功能也可以用于更換主機板時把卡數據復制到新的主機板上,但是要注意是短路目標板復制數據,否則會清除原來有卡數據的主機板。
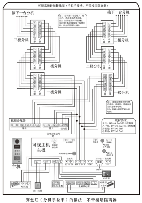
十、系統接線圖
10.1 采用4芯線+視頻線布線
布線線材要求:
主線: RVV4*0.5mm2+ 128網75-5視頻線
入戶線: RVV4*0.3mm2+64網75-3視頻線
開鎖/電源線: RVV2*0.5mm2
10.2 采用全網線布線
布線線材要求:
主干線:超五類純銅芯網線(8芯)
入戶線:超五類純銅芯網線(8芯)
電源/電鎖線:RVV2*0.5
十一、網線水晶頭連接示意圖
順序:橙白色-橙色-綠白色-藍色-藍白色-綠色-棕白色-棕色(568B類直通線標準打法)每根網線所對應的功能:
十二、主干線用戶護套線,入戶線用網線的接線示意圖
十三、簡單故障排除
1. 主機不工作:檢查主機電源是否接好、主機與電源指示燈是指示燈是否亮;
排除方法:正確接好電源線、電源指示燈應能正常發亮,如不發亮用萬表測量電源輸出電壓正不正常。
2. 主機呼叫分機時不響鈴:檢查是否編好房號、檢查網線水晶頭是否壓正確;
排除方法:用替換方式換一臺分機測試。
3.分機圖像不正常:在調試模式下檢查分機電壓是否低于18V,網線水晶頭是否壓正確;
排查方法:換臺分機試或補充電源。
4.分機不能對講:檢查分機喇叭和各端口的連線是否正確;
排除方法:換臺分機測試。
5、分機不能對講:檢查分機喇叭和各端口的連線是否正確;
排除方法:換臺分機測試。
6.分機不能開鎖:檢查主機到電鎖的線是否接好,線材是否太細(必須使用2*0.5平方以.規格),開鎖開關是否正常工作,開鎖電容是否正常。
排查方法:更換設備重新測試;
十四、注意事項
1.請您仔細閱讀本手冊并按照手冊的要求去做;
2.非專業人士不要隨意安裝、拆卸設備;
3.本產品維修和質保由廠家負責;
4.設備是室內安裝產品,不要在室外環境或惡劣環境下使用;
5.設備請遠離液體和“熱源”;
6.安裝必須可靠牢固;
7. 網線水晶頭要壓好,注意防水、防潮;
8. 使用廠家附帶的配件進行安裝;
9.不要使用濕的東西清洗設備;
10. 使用帶有地線的電源;
11. 注意通電保護;
12.注意雷擊保護和長時間無人看管時的保護。
十五、保修服務
本產品保修期為一年,在保修期間,如有下列情況之一,不屬于保修范圍
1.因使用、維護、保管不當造成的損壞。
2.如果用戶采用不符合產品說明書要求的線材和接線方法連接本產品。
3.因人為造成設備損壞,本公司不提供免費維修。
4.因不可抗力造成的損壞(如水災、火災、地震、強雷擊等)。
5.自己拆動或非本公司維修造成的損壞。
6.無產品保修卡和購機單據或產品保修卡、購機單據與產品型號不符或涂改的。
7.保修服務不包括上門服務和用戶將產品送(寄)往維修點或送(寄)出過程中所產生的費用。
8.超過保修期限范圍的產品,維修時酌情收取零件成本費。
可視樓宇對講說明書下載